KOREA SINTO CO., LTD

  • Headquarters / Mechanical
    • Tel. +82-53-615-4901
    • FAX. +82-53-615-4901
  • SHOTBALL
    • Tel. +82-53-615-4901
    • FAX. +82-53-615-2119

COPYRIGHT (C) KOREA SINTO CO,.LTD ALL RIGHTS RESERVED

Products

Shotball

투사재 이미지
투사재 로고
For the quality of surface treatment and thought
STEEL SHOT / STEEL GRIT
It is an essential surface treatment material for industries using steel as raw material because of its wide range of uses, such as removing scale from the surface of steel products, desanding castings, and cutting stone, and is widely used in heavy industries such as steel, castings, automobiles, shipbuilding, construction, and aviation, and in the stone processing industry.
SHOT PEENING
Peeningshot is projected onto the surface of products such as GEAR, APRING, and SHAFT, which are prone to CRACK due to repeated loads and corrosion stresses, causing plastic deformation, and compressive residual stress is applied to the surface layer to improve fatigue strength, stress corrosion resistance, and crack resistance.
  • After using the Shotball

  • After using the Shotball

TYPE HARDNESS USE
SB-PM HRC :51~55 SHOTPEENING
(Gear, Spring, Shaft ETC..)
SB-PH HRC :58~62
Granularity Compliant with SAEJ444
Chemical composition / density, and geometry / Cracks / Voids Compliant with SAEJ827
How to Choose the Right Projection Material for Your BLAST Job
The most important factor in streamlining BLAST operations to realize COSTDOWN is the choice of projection material.

What is a good projection material?

  • Fast cleaning speed
  • uniform quality
  • low consumption

What are the shotball
for projection materials?

  • Is it the right hardness?
  • Is it the right density?
  • Is it the right metallurgy?
1. HardnessSuitable hardness is HRC40 to 50

Cleaning speed is proportional to hardness, so harder projectiles will clean faster. However, hardness and lifespan are inversely proportional, so the higher the hardness, the shorter the lifespan. The ideal projection material is a fast-cleaning, long-lasting projection material with an HRC of 40 to 50. With the right hardness, SHOT rebounds well and cleans up even the most punctured and irregular products.

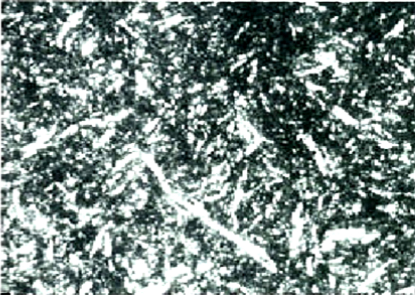
2. metallographymetallography is a means of determining the age of a projection material

Micro-tempered martensite and bainite tissues have a long service life. Metallography is a means of determining the age of the projection material. Tissue tempered martensite and bainite tissue te-MperedMartensite, or tempered Martensite tissue precipitated with Cementie, has a much longer service life.

  • 미세 Tempered Martensite 및 Bainite조직

    Microstructure of microstrengthened martensite and bainite (cementite precipitation)

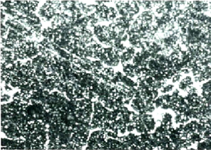
  • Tempered Martensite조직  (Cementite석출)

    Tempered Martensite
     (cementite precipitation)

  • 組大 Tempered Martensite조직 (Cementite석출 / 배율 650배)

    Strengthened martensite
    (cementite precipitation / 650x )

Steelshot / steel grit Chemical Composition
Ingredients SIZE Specifications
Carbon SB-3 ~ SB-24 0.85 ~ 1.20%
Manganese SB-3, SB-4 0.35 ~ 1.20%
SB-6 0.50 ~ 1.20%
SB-7 and above 0.60 ~ 1.20%
Silicon SB-3 ~ SB-24 0.40 ~ 1.50%
Phosphorous SB-3 ~ SB-24 0.05% or less
Sulfur SB-3 ~ SB-24 0.05% or less
STEEL SHOT / STEEL GRIT
STELLSHOT / STEELGRIT Chemical Components
STEEL SHOT STEEL GRIT Purpose of use
SB-24 / SB-20 GP-24 / GP-20 Dismantling and scale removal of large castings, steel cast iron pipes, malleable cast iron, large forging products, heat treatment products, etc
SB-17 / SB-14 GP-17 / GP-14 Removal of medium and large castings, steel, single cast iron, small and medium-sized forged products, heat treatment, steel plates, mold steel, BILLET structural steel, chain, copper pipe, copper alloy casting, etc
SB-12 / SB-10 GP-12 / GP-10 Small and medium sized castings, Malleable iron, Small and medium sized forgings, heat treatment products, steel plates, mold steel, Billet, structural steel, chain, copper pipe, copper alloy casting, scale removal
SB-8 / SB-7 / SB-6 GP-8 / GP-7 / GP-6 Small castings, small forging products, heat treatment products, aluminum castings, steel plates, steel pipes, etc., de-sanding, scale removal, plating pretreatment, stone cutting, short spinning (steel shorts only)
SB-4 / SB-3 GP-4 / GP-3 Resilience of copper alloy castings, thin plates, stainless steel plates, etc., scale removal, short spinning (only steel shorts)
Type Hardness Use
SB HRC : 40~50 Descaling of castings, fossils, small and medium forgings
GP HRC : 40~50 Descaling of cast, small and medium forgings
GL HRC : 56~60 Descaling for etching, scratch detection
GH HRC : 64~69 For roll etching, rubber adhesive etching
GN HRC : 60~64 For cutting stone processing
ASTM KS 기호
No1 mm SB-24 SB-20 SB-17 SB-14 SB-12 SB-10 SB-8 SB-7 SB-6 SB-4 SB-3
7 2.80 0%
8 2.36 0%
10 2.00 85% ↑ 0% 0%
12 1.70 97% ↑ 85% ↑ 5% ↓ 0%
14 1.40 97% ↑ 85% ↑ 5% ↓ 0%
16 1.18 97% ↑ 85% ↑ 5% ↓ 0%
18 1.00 96% ↑ 85% ↑ 5% ↓ 0%
20 0.850 96% ↑ 85% ↑ 5% ↓ 0%
25 0.710 96% ↑ 85% ↑ 10% ↓
30 0.600 96% ↑ 85% ↑ 0%
35 0.500 97% ↑ 85% ↑ 10% ↓
40 0.425 97% ↑ 0%
45 0.355 80% ↑ 10% ↓
50 0.300 90% ↑
80 0.180 80% ↑
120 0.125 90% ↑
SAE S-780 S-660 S-550 S-460 S-390 S-330 S-280 S-230 S-170 S-110 S-70
KS, JIS S 240 S 200 S 170 S 140 S 120 S 100 S 80 S 70 S 60 S 40 S 30
ASTM KS 기호
No1 mm GH,GL
GP-24
GH,GL
GP-20
GH,GL
GP-17
GH,GL
GP-14
GH,GL
GP-12
GH,GL
GP-10
GH,GL
GP-7
GH,GL
GP-5
GH,GL
GP-3
GH,GL
GP-2
7 2.80 0%
8 2.36 0%
10 2.00 80% ↑ 0%
12 1.70 90% ↑ 80% ↑ 0%
14 1.40 90% ↑ 80% ↑ 0%
16 1.18 90% ↑ 75% ↑ 0%
18 1.00 85% ↑ 75% ↑ 0%
20 0.850
25 0.710 85% ↑ 70% ↑ 0%
30 0.600
35 0.500
40 0.425 80% ↑ 70% ↑ 0%
45 0.355
50 0.300 80% ↑ 65% ↑ 0%
80 0.180 75% ↑ 65% ↑
120 0.125 75% ↑ 60% ↑
200 0.075 70% ↑
SAE G-10 G-12 G-14 G-16 G-18 G-25 G-40 G-50 G-80 G-120
KS, JIS G 240 G 200 G 170 G 140 G 120 G 100 G 70 G 50 G 80 G 20